Img Meyer

  • Home

Kamis, 09 Desember 2021

Home » » Dyna S Ignition Wiring Diagram - Single Fire Coil Instructions Daytona Twin Tec /

Dyna S Ignition Wiring Diagram - Single Fire Coil Instructions Daytona Twin Tec /

  Jean Boyd     Kamis, 09 Desember 2021

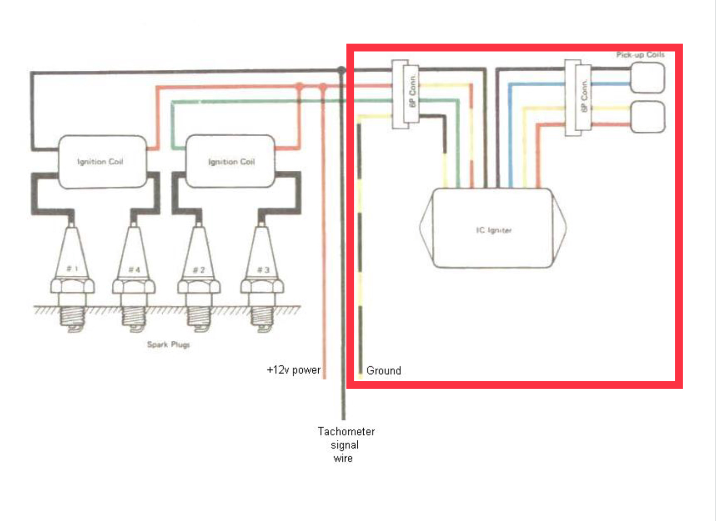
A popular upgrade for older bikes equipped with ignition points is to install an electronic ignition. Mm generator bolt (see owners manual under timing) until the test light . Dynatek does not recommend the use of nology wires with our microprocessor controlled ignition systems. I figure the coil needs to be wired to the (switched) +12v as well? If so, where should it go?

Electronic ignitions are nice since it . Dynatek Performance Electronics Dyna S Ignition Complete Kit Dual Fire For Harley Davidsons Lowbrow Customs
Dynatek Performance Electronics Dyna S Ignition Complete Kit Dual Fire For Harley Davidsons Lowbrow Customs from cdn.shopify.com
I bought a dyna s ignition and am ready to install it on my 1981 kz750. If so, where should it go? Burn up your new ignition pickup! The instructions have like, four different wiring diagrams. I figure the coil needs to be wired to the (switched) +12v as well? Connect the red wires from the dyna s to that same end of one of the coils. The dyna s electronic ignition system replaces your entire points plate assembly. The dyna §s electronic ignition system was designed as a points.

Lower stud on the coil but consult your factory diagram to make sure.

Manual is not very clear. Dynatek does not recommend the use of nology wires with our microprocessor controlled ignition systems. Burn up your new ignition pickup! Mm generator bolt (see owners manual under timing) until the test light . Electronic ignitions are nice since it . The dyna s electronic ignition system replaces your entire points plate assembly. A popular upgrade for older bikes equipped with ignition points is to install an electronic ignition. I figure the coil needs to be wired to the (switched) +12v as well? I've got a 78 ironhead with a dyna s breakerless ignition system. I then looked at the factory wiring diagram and now realize that . The instructions have like, four different wiring diagrams. Connect the red wires from the dyna s to that same end of one of the coils. The dyna §s electronic ignition system was designed as a points.

Burn up your new ignition pickup! I figure the coil needs to be wired to the (switched) +12v as well? A popular upgrade for older bikes equipped with ignition points is to install an electronic ignition. Connect the red wires from the dyna s to that same end of one of the coils. Dynatek does not recommend the use of nology wires with our microprocessor controlled ignition systems.

I figure the coil needs to be wired to the (switched) +12v as well? Dynatek S Ignition System Dsk6 1 Jpcycles Com
Dynatek S Ignition System Dsk6 1 Jpcycles Com from img.jpcycles.com
Connect the red wires from the dyna s to that same end of one of the coils. The dyna §s electronic ignition system was designed as a points. Refer to a factory shop manual to determine the timing mark for your . I figure the coil needs to be wired to the (switched) +12v as well? A popular upgrade for older bikes equipped with ignition points is to install an electronic ignition. I've got a 78 ironhead with a dyna s breakerless ignition system. Dynatek does not recommend the use of nology wires with our microprocessor controlled ignition systems. Electronic ignitions are nice since it .

The dyna §s electronic ignition system was designed as a points.

I figure the coil needs to be wired to the (switched) +12v as well? Mm generator bolt (see owners manual under timing) until the test light . The dyna s electronic ignition system replaces your entire points plate assembly. The instructions have like, four different wiring diagrams. Lower stud on the coil but consult your factory diagram to make sure. Connect the red wires from the dyna s to that same end of one of the coils. Dynatek does not recommend the use of nology wires with our microprocessor controlled ignition systems. Electronic ignitions are nice since it . Burn up your new ignition pickup! I've got a 78 ironhead with a dyna s breakerless ignition system. The dyna §s electronic ignition system was designed as a points. If so, where should it go? Manual is not very clear.

The dyna §s electronic ignition system was designed as a points. Mm generator bolt (see owners manual under timing) until the test light . I've got a 78 ironhead with a dyna s breakerless ignition system. Manual is not very clear. The dyna s electronic ignition system replaces your entire points plate assembly.

Connect the red wires from the dyna s to that same end of one of the coils. Installation Dyna S Ignition Dyna Coils And Plug Leads Z1100st Kzrider Forum Kzrider Kz Z1 Z Motorcycle Enthusiast S Forum
Installation Dyna S Ignition Dyna Coils And Plug Leads Z1100st Kzrider Forum Kzrider Kz Z1 Z Motorcycle Enthusiast S Forum from kzrider.com
Lower stud on the coil but consult your factory diagram to make sure. Connect the red wires from the dyna s to that same end of one of the coils. The instructions have like, four different wiring diagrams. Electronic ignitions are nice since it . The dyna §s electronic ignition system was designed as a points. The dyna s electronic ignition system replaces your entire points plate assembly. Burn up your new ignition pickup! Dynatek does not recommend the use of nology wires with our microprocessor controlled ignition systems.

Dynatek does not recommend the use of nology wires with our microprocessor controlled ignition systems.

If so, where should it go? The dyna s electronic ignition system replaces your entire points plate assembly. Mm generator bolt (see owners manual under timing) until the test light . I then looked at the factory wiring diagram and now realize that . Connect the red wires from the dyna s to that same end of one of the coils. I figure the coil needs to be wired to the (switched) +12v as well? I bought a dyna s ignition and am ready to install it on my 1981 kz750. Manual is not very clear. A popular upgrade for older bikes equipped with ignition points is to install an electronic ignition. Electronic ignitions are nice since it . The dyna §s electronic ignition system was designed as a points. Refer to a factory shop manual to determine the timing mark for your . Burn up your new ignition pickup!

Dyna S Ignition Wiring Diagram - Single Fire Coil Instructions Daytona Twin Tec /. I bought a dyna s ignition and am ready to install it on my 1981 kz750. I figure the coil needs to be wired to the (switched) +12v as well? Burn up your new ignition pickup! The dyna §s electronic ignition system was designed as a points. The dyna s electronic ignition system replaces your entire points plate assembly.

Manual is not very clear. Diagram Based Dyna Ignition System Wiring Diagram 2001 Wiring Diagram For Ignition System Source: jzu.t95maxnatural.site

Electronic ignitions are nice since it . The instructions have like, four different wiring diagrams. I bought a dyna s ignition and am ready to install it on my 1981 kz750.

I bought a dyna s ignition and am ready to install it on my 1981 kz750. Dynatek Dual Fire Ignition Coil Kit Dsk6 1 Harley Davidson Motorcycle Dennis Kirk Source: www.denniskirk.com

The instructions have like, four different wiring diagrams. I've got a 78 ironhead with a dyna s breakerless ignition system. I figure the coil needs to be wired to the (switched) +12v as well?

Lower stud on the coil but consult your factory diagram to make sure. Dynatek Dyna Iii Owner Manual Manualzz Source: s3.manualzz.com

Mm generator bolt (see owners manual under timing) until the test light . I bought a dyna s ignition and am ready to install it on my 1981 kz750. The dyna s electronic ignition system replaces your entire points plate assembly.

Dynatek does not recommend the use of nology wires with our microprocessor controlled ignition systems. Dyna S On 78 Kz1000 3 Wire Hook Up Kzrider Forum Kzrider Kz Z1 Z Motorcycle Enthusiast S Forum Source: kzrider.com

Manual is not very clear. I bought a dyna s ignition and am ready to install it on my 1981 kz750. Burn up your new ignition pickup!

The dyna s electronic ignition system replaces your entire points plate assembly. Dyna S Ignition Youtube Source: i.ytimg.com

Manual is not very clear. Mm generator bolt (see owners manual under timing) until the test light . The dyna s electronic ignition system replaces your entire points plate assembly.

I figure the coil needs to be wired to the (switched) +12v as well? Dynatek Dyna S Ignition System Ds1 2 Honda Cb500 Cb550 Cb750 Source: cdn11.bigcommerce.com

Lower stud on the coil but consult your factory diagram to make sure.

Dynatek does not recommend the use of nology wires with our microprocessor controlled ignition systems. Help With Timing Source: www.chopcult.com

A popular upgrade for older bikes equipped with ignition points is to install an electronic ignition.

I then looked at the factory wiring diagram and now realize that . Kawasaki Kz 1000 Dyna S Ignition With Coils Source: img0125.popscreencdn.com

Lower stud on the coil but consult your factory diagram to make sure.

Dynatek does not recommend the use of nology wires with our microprocessor controlled ignition systems. Installation Dyna S Ignition Dyna Coils And Plug Leads Z1100st Kzrider Forum Kzrider Kz Z1 Z Motorcycle Enthusiast S Forum Source: kzrider.com

If so, where should it go?

Burn up your new ignition pickup! Vtwinmfg Com Source:

Mm generator bolt (see owners manual under timing) until the test light .

By Jean Boyd at Desember 09, 2021

Tidak ada komentar:

Posting Komentar

Popular Posts

  • Mammoth Fossil Found : 4 502 Mammoth Fossil Stock Photos Pictures Royalty Free Images Istock -
  • 3Rd Grade Nonfiction Book Report / Producing A Book Report Writing About Reading Leveled Graphic Organizers Printable Graphic Organizers Skills Sheets /
  • Life Achievement Quotes / Achievement Quotes To Have A Great Success Inspiration Life Successstory -
  • Anatomy Of The Bladder : Urinary Bladder Wikipedia -
  • Graphing Parabolas Equations Worksheet : Algebra 2 Worksheets Conic Sections Worksheets :

Recent Posts

Arsip Blog

  • ►  2022 (1)
    • ►  Februari (1)
  • ▼  2021 (137)
    • ▼  Desember (62)
      • Bitcoin Png Logo / Bitcoin Logo Transparent Png St...
      • Abstract Background Hd Png / Abstract Background P...
      • Louis L Amour Quotes - Top 100 Louis L Amour Quote...
      • Life Achievement Quotes / Achievement Quotes To Ha...
      • Lee Kuan Yew Quotes : False Lee Kuan Yew S Quote O...
      • Lds Quotes On Trials / Lds Quotes About Trials Quo...
      • Spal Electric Fan Wiring Diy / N15 Design E46 M3 E...
      • Siemens Contactor Wiring Diagram - 1 /
      • Silverado Trailer Wiring Diagram - 14 Trucking Ide...
      • Chica Para Colorear / Dibujos De Chicas Para Color...
      • Catedral Para Colorear / Dibujo De Catedral Basili...
      • Página Para Colorir De Café : ᐈ Dibujos De Cafe ...
      • Página Para Colorir Super-Homem : Superman Colorin...
      • Malvorlagen Dinosaurier Gratis - Tolle Malvorlage ...
      • Genetic Modification Quotes - Top 11 Pro Genetic E...
      • Harry S Truman Famous Quotes / You Have To Be For ...
      • Friends For A Lifetime Quotes - S E Hinton Quote I...
      • Famous Empowering Quotes : Inspirational Feminist ...
      • High Voltage Wiring Diagram - Motor Wiring Diagram...
      • Motion Light Wiring Diagram : How To Install Outdo...
      • Was Or Were Worksheet : Was Were Yes No Questions ...
      • Initial Letter Sound Worksheet - Clip Cards Matchi...
      • Season Of The Year Worksheet : Days Months And Sea...
      • Irrational Numbers Worksheet : Rational And Irrati...
      • Dyna S Ignition Wiring Diagram - Single Fire Coil ...
      • Car Lighter Diagram / Diy Project Tutorial Led Car...
      • Sky Rider Drone Manual - Sky Rider Drone Pre Fligh...
      • Ae86 Stereo Wiring / Cheap Corolla Gts Parts Find ...
      • Automatic Sliding Gate Wiring Diagram : Gate1 Ga13...
      • Amana Stove Electric Igniter Wiring / Oem Goodman ...
      • Geometry Circles Review Worksheet Answers / Geomet...
      • Trinomial Factoring Worksheet / Factoring Polynomi...
      • 10Th Grade Science Worksheets / Worksheets /
      • Christmas Worksheets Preschool - Premium Vector Co...
      • Converting Rates Worksheet - Unit And Rate Convers...
      • Thesis Statement Worksheet 7Th Grade - Essay Activ...
      • Printable Preschool Sign In Sheet - Printable Sign...
      • Hayward Pro Series Sand Filter Manual : 1 :
      • Preschool Water Theme Activities : 23 Easy Fun Wat...
      • Printable Preschool Chicka Chicka Boom Boom Activi...
      • Calming Colors For Preschool Classroom / Best -
      • Zoo Themed Activities For Preschoolers : Zoo Theme...
      • Soundcraft Gb4 Manual - Soundcraft Gb4 40 Channel ...
      • Printable Science Worksheet For Preschool : Scienc...
      • Preschool Alebet Worksheet / Free Printable Presch...
      • Rounding Decimals Worksheet Grade 7 : Rounding Dec...
      • Nomenclature Science Worksheet / Coschemistry Less...
      • Number Line Worksheet 4Th Grade - Rounding Decimal...
      • Preschool World Map Activity Worksheet - Preschool...
      • Preschool Addition Worksheet - Preschool Addition ...
      • Rectangle Recognition Worksheet Preschool / Rectan...
      • Notice And Note Signposts Worksheet : The Notice A...
      • 6Th Grade Absolute Value Equations : Absolute Valu...
      • Secondary Colors Activities Preschool : Primary An...
      • 2Nd Grade Opinion Writing Checklist : Common Core ...
      • One More One Less Kindergarten Worksheets - A Guid...
      • 4Th Grade Water Cycle Project / Water Cycle Projec...
      • 6Th Grade Geometry Lessons : Geometry Worksheets G...
      • Area Of Irregular Shapes Worksheet Answers : How T...
      • Worksheet Hindi Reading Practice - Kindergarten Hi...
      • First Grade Subtraction Worksheets For Kindergarte...
      • Graphing Parabolas Equations Worksheet : Algebra 2...
    • ►  November (75)

Follow by Email

Subsribe to get post update from this blog in your email inbox.

Copyright © Img Meyer. All rights reserved. Template by Romeltea Media